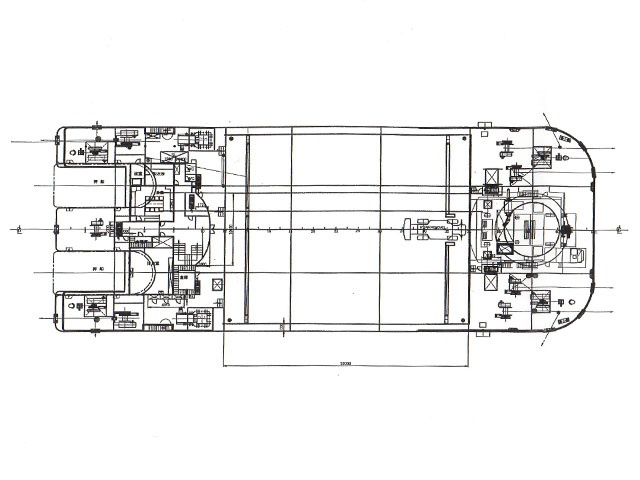
第六十三善徳丸
全旋回式400t吊りクレーン船
プッシャー式
							船体固定装置
スパット(ピンホールギヤ一式)
(30屯×2個所)
長さ30m×1.6角
最大水深 −20m可能
ウインチ装置
船尾
- 巻能力/25屯
 - アンカー/4.5屯4台
 - チェンアンカ/42mm×350m×2台
 - 巻能力/15屯
 - ロープ/1台
 - ロープ/65mm×300m
 - 巻能力/25屯
 - ワイヤー/42mm×300m
 
船首
- 巻能力/15屯
 - ロープ4台
 - ロープ/70mm×300m
 - 巻能力/25屯
 - チェン/4.5屯2台
 - チェンアンカ/42mm×300m
 
クレーン能力
- 直巻能力/50屯
 - オレンジバケット/8.0㎥
 - 平バケット/12.0㎥
 
押船
第五十ニ善徳丸
19屯型(オール沿海)(1,650ps・航速9ノット)
第五十一善徳丸(
19屯型(オール沿海)(1,650ps・航速9ノット)
					
					
















